在线留言
|
网站地图
欢迎来到无锡市飞盛五金制品有限公司的网站!
买螺套,选飞盛!
飞盛螺套,30年行业经验,更好用!
全国咨询热线:
13771186996
首页
钢丝螺套
自攻螺套
无尾螺套
插销螺套
电子样册
工程案例
新闻资讯
公司新闻
行业动态
常见问题
关于我们
荣誉资质
公司历程
企业相册
公司视频
在线留言
联系我们
主页
>
新闻资讯
>
公司新闻
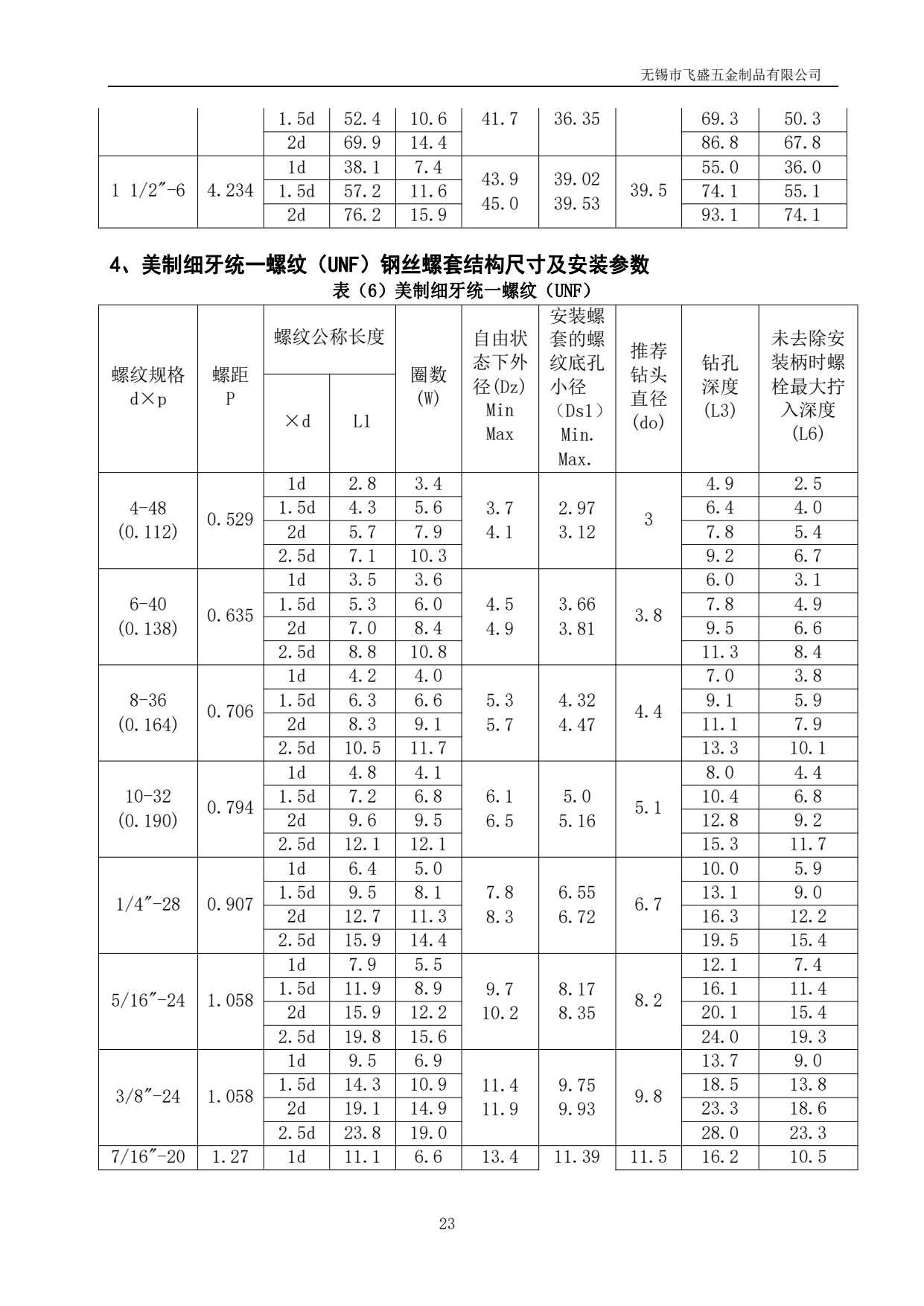
螺套使用手册
浏览量:
0
来源:创始人
时间:2023-04-21
上一条
上一篇:没有了
下一条
下一篇:没有了
相关分类:
公司新闻
行业动态
常见问题